| Status de disponibilidade: | |
|---|---|
| Quantidade: | |
Q11F
J-VALVES
Material de aço inoxidável: O corpo da válvula é feito de aço inoxidável 316, proporcionando alta resistência e boa resistência à corrosão.
Design de esfera flutuante: A esfera pode flutuar livremente sob a pressão do meio, ajustando-se perfeitamente à sede da válvula para formar um excelente efeito de vedação.
Conexão Rosqueada: Adota conexão roscada NPT, atendendo aos padrões ANSI B1.20.1, garantindo fácil instalação e vedação hermética.
Configuração da porta L/T: Oferece configurações de porta em forma de L e T, adequadas para diferentes requisitos de controle de fluxo.
Design à prova de fogo: atende aos padrões API 607, mantendo o desempenho de vedação mesmo em condições de incêndio para evitar vazamentos médios.
Dispositivo antiestático: O dispositivo antiestático integrado evita efetivamente o acúmulo de estática, reduzindo o risco de incêndio e explosão.
Prevenção de explosão da haste: A haste apresenta um design de prevenção de explosão para garantir a segurança operacional.
Design Compacto: Pequeno em tamanho e leve, facilitando a instalação e integração em sistemas existentes.
Faixa de tamanho: 1/4″ a 4″ (DN6 a DN100)
Classificação de pressão: 1000WOG
Faixa de temperatura: -20°C a +180°C
Materiais:
Corpo da válvula: aço inoxidável 316
Bola: Aço Inoxidável 316
Haste: Aço Inoxidável 316
Material de vedação: PTFE, RPTFE
Tipo de conexão: conexão rosqueada NPT
Modo de operação: Manual (operação com volante), Pneumático
Padrões de Projeto: API 608, ASME B16.34
Padrões de teste: API 598
Dimensões ponta a ponta: em conformidade com os padrões ASME B16.10
Indústria de Petróleo e Gás: Usado em sistemas de exploração, coleta, transporte e processamento de campos de petróleo e gás para garantir isolamento e controle confiáveis de meios.
Indústria Química: Adequado para sistemas de transporte e reação de diversos meios químicos, evitando vazamentos de meio e garantindo a segurança da produção.
Indústria Farmacêutica: Aplicado em sistemas de dutos durante a produção farmacêutica para garantir isolamento e limpeza do meio no processo de fabricação de medicamentos.
Indústria de Alimentos e Bebidas: Atende aos requisitos de qualidade alimentar, utilizado em sistemas de dutos para produção de alimentos e bebidas para garantir higiene e segurança.
HVAC: Utilizado em sistemas de água de resfriamento, sistemas de água quente, etc., para garantir a operação eficiente do sistema.
Aplicações Industriais Gerais: Adequado para controlar e isolar meios como água, óleo e gás.
Alta confiabilidade: O material de aço inoxidável e o design da esfera flutuante garantem a operação estável da válvula em ambientes de alta pressão e alta temperatura, reduzindo a frequência de manutenção e o tempo de inatividade.
Controle preciso: As configurações de porta em forma de L e T fornecem controle de fluxo flexível, adequado para diversas aplicações industriais.
Alta segurança: Projetos à prova de fogo e antiestáticos, juntamente com desempenho de vedação confiável, reduzem efetivamente os riscos de vazamento e protegem a segurança do pessoal e do equipamento.
Fácil instalação e manutenção: A conexão roscada simplifica o processo de instalação e facilita a manutenção e inspeção.
Ampla aplicabilidade: Múltiplas opções de materiais e uma ampla gama de classificações de pressão e temperatura permitem que ele se adapte a diversas condições de trabalho complexas e características do meio.
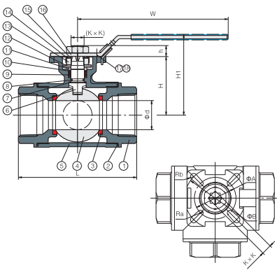
Lista de materiais da válvula de esfera parafusada 3PC :
Material de aço inoxidável: O corpo da válvula é feito de aço inoxidável 316, proporcionando alta resistência e boa resistência à corrosão.
Design de esfera flutuante: A esfera pode flutuar livremente sob a pressão do meio, ajustando-se perfeitamente à sede da válvula para formar um excelente efeito de vedação.
Conexão Rosqueada: Adota conexão roscada NPT, atendendo aos padrões ANSI B1.20.1, garantindo fácil instalação e vedação hermética.
Configuração da porta L/T: Oferece configurações de porta em forma de L e T, adequadas para diferentes requisitos de controle de fluxo.
Design à prova de fogo: atende aos padrões API 607, mantendo o desempenho de vedação mesmo em condições de incêndio para evitar vazamentos médios.
Dispositivo antiestático: O dispositivo antiestático integrado evita efetivamente o acúmulo de estática, reduzindo o risco de incêndio e explosão.
Prevenção de explosão da haste: A haste apresenta um design de prevenção de explosão para garantir a segurança operacional.
Design Compacto: Pequeno em tamanho e leve, facilitando a instalação e integração em sistemas existentes.
Faixa de tamanho: 1/4″ a 4″ (DN6 a DN100)
Classificação de pressão: 1000WOG
Faixa de temperatura: -20°C a +180°C
Materiais:
Corpo da válvula: aço inoxidável 316
Bola: Aço Inoxidável 316
Haste: Aço Inoxidável 316
Material de vedação: PTFE, RPTFE
Tipo de conexão: conexão rosqueada NPT
Modo de operação: Manual (operação com volante), Pneumático
Padrões de Projeto: API 608, ASME B16.34
Padrões de teste: API 598
Dimensões ponta a ponta: em conformidade com os padrões ASME B16.10
Indústria de Petróleo e Gás: Usado em sistemas de exploração, coleta, transporte e processamento de campos de petróleo e gás para garantir isolamento e controle confiáveis de meios.
Indústria Química: Adequado para sistemas de transporte e reação de diversos meios químicos, evitando vazamentos de meio e garantindo a segurança da produção.
Indústria Farmacêutica: Aplicado em sistemas de dutos durante a produção farmacêutica para garantir isolamento e limpeza do meio no processo de fabricação de medicamentos.
Indústria de Alimentos e Bebidas: Atende aos requisitos de qualidade alimentar, utilizado em sistemas de dutos para produção de alimentos e bebidas para garantir higiene e segurança.
HVAC: Utilizado em sistemas de água de resfriamento, sistemas de água quente, etc., para garantir a operação eficiente do sistema.
Aplicações Industriais Gerais: Adequado para controlar e isolar meios como água, óleo e gás.
Alta confiabilidade: O material de aço inoxidável e o design da esfera flutuante garantem a operação estável da válvula em ambientes de alta pressão e alta temperatura, reduzindo a frequência de manutenção e o tempo de inatividade.
Controle preciso: As configurações de porta em forma de L e T fornecem controle de fluxo flexível, adequado para diversas aplicações industriais.
Alta segurança: Projetos à prova de fogo e antiestáticos, juntamente com desempenho de vedação confiável, reduzem efetivamente os riscos de vazamento e protegem a segurança do pessoal e do equipamento.
Fácil instalação e manutenção: A conexão roscada simplifica o processo de instalação e facilita a manutenção e inspeção.
Ampla aplicabilidade: Múltiplas opções de materiais e uma ampla gama de classificações de pressão e temperatura permitem que ele se adapte a diversas condições de trabalho complexas e características do meio.
Lista de materiais da válvula de esfera parafusada 3PC :
