| Status de disponibilidade: | |
|---|---|
| Quantidade: | |
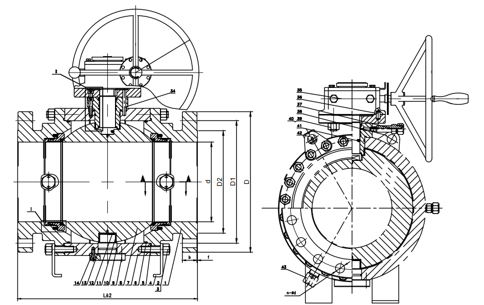
Design de três peças: O corpo da válvula é dividido em três partes, facilitando a manutenção e a substituição de componentes, reduzindo o tempo de inatividade e, ao mesmo tempo, melhorando a resistência geral e o desempenho de vedação da válvula.
Material de aço duplex: O corpo principal é feito de aço duplex (por exemplo, S31803, S32750, etc.), que possui alta resistência e boa resistência à corrosão, capaz de resistir à erosão de vários meios químicos e prolongar a vida útil da válvula.
Projeto do flange munhão: O design exclusivo do flange munhão proporciona maior flexibilidade e estabilidade de instalação, facilitando a instalação e manutenção da válvula.
Vedação metálica: O design da vedação metálica é adequado para ambientes de alta temperatura e alta pressão, oferecendo excelente desempenho de vedação e mantendo vazamento zero mesmo sob condições extremas de trabalho.
Design à prova de fogo: Em conformidade com os padrões API 607, a válvula mantém o desempenho de vedação mesmo em caso de incêndio, evitando vazamentos médios e garantindo a segurança do sistema.
Dispositivo antiestático: Um dispositivo antiestático integrado evita efetivamente o acúmulo de estática, reduzindo o risco de incêndio e explosão, e é particularmente adequado para controlar meios inflamáveis e explosivos.
Design compacto: Pequeno em tamanho e leve, é fácil de instalar e integrar em sistemas existentes, economizando espaço.
Vários modos de operação: Pode ser equipado com atuadores manuais, pneumáticos, elétricos ou hidráulicos para obter controle remoto automatizado.
Diâmetro nominal: 12x10'
Classe de pressão: 2500LB (PN420)
Faixa de temperatura: -29°C a +550°C (a faixa específica depende dos materiais de vedação e das condições de trabalho)
Materiais:
Corpo da válvula: Aço duplex (S31803, S32750, etc.)
Esfera: Aço Duplex
Haste: Aço Duplex
Material de vedação: Vedação de metal (aço inoxidável, metal duro, etc.)
Tipo de conexão: Conexão de flange munhão (compatível com os padrões ASME B16.5)
Modo de operação: Manual, pneumático, elétrico, hidráulico
Padrões de projeto: API 6D, ASME B16.34
Padrões de teste: API 598
Projeto à prova de fogo: API 607
Meios aplicáveis: Petróleo, gás natural, vapor, meios químicos, etc.
Indústria de Petróleo e Gás: Usado em sistemas de exploração, coleta e processamento de campos de petróleo e gás para garantir isolamento e controle confiáveis de meios.
Indústria Química: Adequado para sistemas de transporte e reação de diversos meios químicos, evitando vazamentos de meio e garantindo a segurança da produção.
Indústria Farmacêutica: Aplicado em sistemas de dutos durante a produção farmacêutica para garantir isolamento e limpeza do meio no processo de fabricação de medicamentos.
Indústria de Alimentos e Bebidas: Atende aos requisitos de qualidade alimentar e é usado em sistemas de dutos para produção de alimentos e bebidas para garantir higiene e segurança.
HVAC: Utilizado em sistemas de água de resfriamento, sistemas de água quente, etc., para garantir a operação eficiente do sistema.
Aplicações Industriais Gerais: Adequado para controlar e isolar meios como água, óleo e gás.
Alta confiabilidade: O material de aço duplex e a estrutura de três peças garantem a operação estável da válvula em ambientes de alta pressão e alta temperatura, reduzindo a frequência de manutenção e o tempo de inatividade.
Alta segurança: Projetos à prova de fogo e antiestáticos, juntamente com desempenho de vedação confiável, reduzem efetivamente os riscos de vazamento e protegem a segurança do pessoal e do equipamento.
Operação Automatizada: Múltiplas opções de atuadores permitem controle remoto e operação automatizada, melhorando a flexibilidade e a segurança do sistema.
Fácil instalação e manutenção: A conexão do flange munhão simplifica o processo de instalação e facilita a manutenção e reparo.
Ampla aplicabilidade: Múltiplas opções de materiais e uma ampla gama de faixas de pressão e temperatura permitem que ele se adapte a diversas condições de trabalho complexas e características do meio.
Design de três peças: O corpo da válvula é dividido em três partes, facilitando a manutenção e a substituição de componentes, reduzindo o tempo de inatividade e, ao mesmo tempo, melhorando a resistência geral e o desempenho de vedação da válvula.
Material de aço duplex: O corpo principal é feito de aço duplex (por exemplo, S31803, S32750, etc.), que possui alta resistência e boa resistência à corrosão, capaz de resistir à erosão de vários meios químicos e prolongar a vida útil da válvula.
Projeto do flange munhão: O design exclusivo do flange munhão proporciona maior flexibilidade e estabilidade de instalação, facilitando a instalação e manutenção da válvula.
Vedação metálica: O design da vedação metálica é adequado para ambientes de alta temperatura e alta pressão, oferecendo excelente desempenho de vedação e mantendo vazamento zero mesmo sob condições extremas de trabalho.
Design à prova de fogo: Em conformidade com os padrões API 607, a válvula mantém o desempenho de vedação mesmo em caso de incêndio, evitando vazamentos médios e garantindo a segurança do sistema.
Dispositivo antiestático: Um dispositivo antiestático integrado evita efetivamente o acúmulo de estática, reduzindo o risco de incêndio e explosão, e é particularmente adequado para controlar meios inflamáveis e explosivos.
Design compacto: Pequeno em tamanho e leve, é fácil de instalar e integrar em sistemas existentes, economizando espaço.
Vários modos de operação: Pode ser equipado com atuadores manuais, pneumáticos, elétricos ou hidráulicos para obter controle remoto automatizado.
Diâmetro nominal: 12x10'
Classe de pressão: 2500LB (PN420)
Faixa de temperatura: -29°C a +550°C (a faixa específica depende dos materiais de vedação e das condições de trabalho)
Materiais:
Corpo da válvula: Aço duplex (S31803, S32750, etc.)
Esfera: Aço Duplex
Haste: Aço Duplex
Material de vedação: Vedação de metal (aço inoxidável, metal duro, etc.)
Tipo de conexão: Conexão de flange munhão (compatível com os padrões ASME B16.5)
Modo de operação: Manual, pneumático, elétrico, hidráulico
Padrões de projeto: API 6D, ASME B16.34
Padrões de teste: API 598
Projeto à prova de fogo: API 607
Meios aplicáveis: Petróleo, gás natural, vapor, meios químicos, etc.
Indústria de Petróleo e Gás: Usado em sistemas de exploração, coleta e processamento de campos de petróleo e gás para garantir isolamento e controle confiáveis de meios.
Indústria Química: Adequado para sistemas de transporte e reação de diversos meios químicos, evitando vazamentos de meio e garantindo a segurança da produção.
Indústria Farmacêutica: Aplicado em sistemas de dutos durante a produção farmacêutica para garantir isolamento e limpeza do meio no processo de fabricação de medicamentos.
Indústria de Alimentos e Bebidas: Atende aos requisitos de qualidade alimentar e é usado em sistemas de dutos para produção de alimentos e bebidas para garantir higiene e segurança.
HVAC: Utilizado em sistemas de água de resfriamento, sistemas de água quente, etc., para garantir a operação eficiente do sistema.
Aplicações Industriais Gerais: Adequado para controlar e isolar meios como água, óleo e gás.
Alta confiabilidade: O material de aço duplex e a estrutura de três peças garantem a operação estável da válvula em ambientes de alta pressão e alta temperatura, reduzindo a frequência de manutenção e o tempo de inatividade.
Alta segurança: Projetos à prova de fogo e antiestáticos, juntamente com desempenho de vedação confiável, reduzem efetivamente os riscos de vazamento e protegem a segurança do pessoal e do equipamento.
Operação Automatizada: Múltiplas opções de atuadores permitem controle remoto e operação automatizada, melhorando a flexibilidade e a segurança do sistema.
Fácil instalação e manutenção: A conexão do flange munhão simplifica o processo de instalação e facilita a manutenção e reparo.
Ampla aplicabilidade: Múltiplas opções de materiais e uma ampla gama de faixas de pressão e temperatura permitem que ele se adapte a diversas condições de trabalho complexas e características do meio.
